新一代交流電機控制更精確。
內容簡介:在交流電機中,只有定子電流受到直接控制。轉子通常使用永磁體來提供其領域。這意味著通量和扭矩依賴于相同的電流。但是,面向場的控制提供了幾乎獨立操縱它們的能力。實際上,定子磁通被動態地控制以提供獨立操縱轉矩的能力。
到2035年,全球每年將消耗超過35萬億千瓦小時的電力,從2015年的不足21萬億千瓦時增加到現在所需的近三分之一的電能,用于工業生產。這些電機中的許多都基于簡單的交流電設計,因為它們成本相對較低并且易于驅動。在能源使用方面它們的效率也很低,特別是在低速情況下。但是,這種交流電機本質上并不浪費。采用正確的電子控制形式,其效率可以顯著提高。使用當今可用的控制技術,可以將給定工作水平的能耗降低多達60%。
目前使用的最簡單的控制技術是每赫茲伏特。這在概念上既簡單又容易在基本的微控制器上實現。核心算法充分利用了交流電機設計的核心特性。每個電機都有一個特性磁化電流和一個最終的磁通量和轉矩。這些屬性通過伏特每赫茲比率相關。電機通過布置在移動轉子周圍的定子線圈的轉換來轉動機械負載。線圈之間的切換迫使轉子的磁化元件同情地轉動到磁場保持平衡的穩定狀態。
線圈切換頻率的增加反過來會提高速度。但是,如果供應的電能沒有相應增加,則施加的轉矩會下降。伏特每赫茲的控制提供了一個簡單的方法來解決這個問題,通過增加線路電壓來提高頻率,使扭矩可以保持在一個恒定的水平。不幸的是,這種關系在低速下不是特別一致。需要更高的電壓以在低速下保持高轉矩,但效率下降并增加了線圈飽和和過熱的可能性。
磁場定向控制提供了一種優化電機控制的方法,特別是在低速情況下,并且還可以使電機的定位控制更精確。這增加了整個交流電機的應用范圍,這有助于降低工業機械的成本以及運營成本。
在磁場定向或磁通矢量控制中,速度和扭矩之間的關系由伏特每赫茲控制所打破。磁場定向控制的思想可以用直流電機的模型來表達,其中提供給定子和轉子的電流是獨立的。在這個模型中,扭矩和產生的流量可以獨立控制。由電流產生的電機組內部的場強決定了磁通量。提供給轉子中的電磁線圈的電流控制轉矩 - 當磁場試圖使自己進入穩定狀態時。
直流電動機在轉子上使用換向器,該換向器執行控制定子上的哪些線圈在任何時間都被激勵的工作。換向器的設計使得電流切換到機械對齊的繞組,從而在該點產生最大轉矩。結果,繞組的管理方式使得磁通量變化,以保持轉子繞組與定子中產生的磁場正交。
在交流電機中,只有定子電流受到直接控制。轉子通常使用永磁體來提供其領域。這意味著通量和扭矩依賴于相同的電流。但是,面向場的控制提供了幾乎獨立操縱它們的能力。實際上,定子磁通被動態地控制以提供獨立操縱轉矩的能力。通常,定子線圈可以被驅動,以便它們或者產生轉矩或者沿著定子軸施加力,這是一種不影響旋轉的模式。這些方向分別是正交軸和直接軸。為了運動,每個線圈依次被驅動以產生高正交力。
幾個數學變換被用來提供改變電流和電壓的能力來解耦扭矩和通量。在磁場定向控制下,流過定子不同部分的電流由矢量表示。矩陣投影將三相時間和速度相關系統轉換為兩個坐標時間不變系統。通常使用分別表示通量和轉矩分量的符號d和q來描述坐標。在(d,q)參考系中,施加的轉矩與轉矩分量呈線性關系。
在磁場定向控制下,從電機接收電信號并將其結合到(d,q)坐標模型中。該模型通常相對于轉子進行計算,使得計算所需流量更加容易。用于計算的典型方法是對Clarke和Park變換進行配對。
克拉克變換將來自不同相位的電流(通常為三個),并用它們來估計笛卡爾坐標系中的電流。這些系統的軸使用符號α和β而不是傳統的x和y來減少與空間坐標系混淆的可能性。然后將這些應用于Park變換以提供在旋轉(d,q)坐標系中看到的當前矢量。三角函數提供了轉換的核心,需要使用微控制器或數字信號處理器(DSP)。
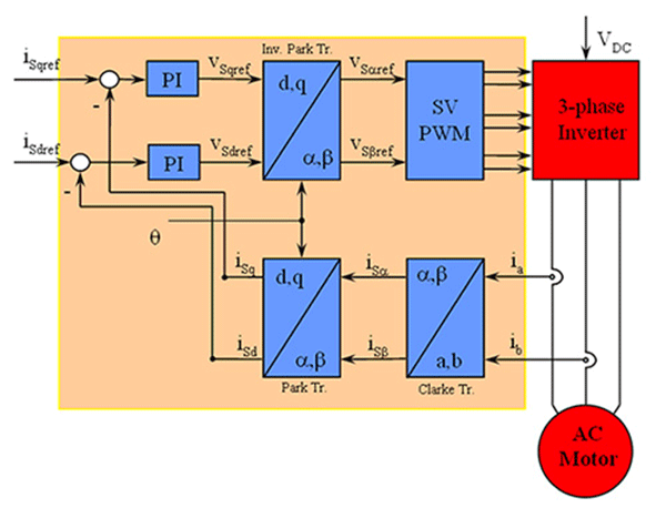
通過Clarke和Park變換,(d,q)空間中的電流矢量的磁通量和轉矩分量是從饋送給每個電相位的電流和轉子磁通位置獲得的,其在大部分描述中采用符號theta算法。這種結構適用于一系列電機。逆帕克變換被用來產生電壓輸出,然后用于控制三相中的每一個的功率的算法中。整體結構如圖1所示。
用于磁場定向控制的變換和控制塊的基本配置的圖像
通過簡單地改變磁通基準和獲得轉子磁通位置,可以使用相同的磁芯結構來控制同步電機和感應電機。在同步永磁電機中,轉子磁通是固定的,因為它由永磁體確定。感應電動機需要創建轉子磁通才能起作用,所以這被作為非零值并入到磁通參考中。
磁場定向控制成功的關鍵是實時預測轉子磁通位置。這種控制策略是復雜的。在交流感應電機內部,轉子的轉速與驅動其旋轉的磁通量的速度不匹配。轉子傾向于滯后,導致差異被稱為滑動速度。在以前的方案中,電機制造商使用傳感器來分析轉子位置,但這會導致不必要的額外成本。在實踐中,可以使用電機內部產生的電壓和電流的反饋來補償滑差。
許多系統使用測量的反電動勢來估計轉子打滑。反電動勢電壓的大小與轉子的速度成正比。但是,直接使用此輸入會導致速度低或停頓時出現問題,并且估計初始位置并不容易。從未知的轉子位置開始,可能會導致電機意外地反轉一小段距離,或導致電機完全啟動失敗。簡單采樣反電動勢的另一個缺點是它對定子電阻的敏感性,定子電阻容易隨溫度而變化。
基于間接模型的方案提供更高的性能。計算開銷和性能之間存在很大的折衷,但總的來說,通過使用更復雜的基于模型的算法可以提高效率,特別是在低速下。基于間接模型的方案基于可用的傳感器讀數來估計這些方案的實時值。
與反電動勢估算一樣,核心問題是確定電動機的起點。一種解決方案是從初始狀態的估計開始,根據該初始狀態可以導出預測輸出的向量,將其與測量的輸出向量進行比較。這個差別用于修正模型的內部狀態向量。但是,噪音會破壞模型的穩定性。
擴展卡爾曼濾波器可以補償噪聲和突發干擾的影響。卡爾曼濾波器的體系結構使得被認為具有較低不確定性的更新被賦予比被估計具有較大不確定性的更高的權重。濾波器遞歸地工作,使得每個估計僅需要一組新的讀數和濾波器的先前狀態以產生新的狀態。
卡爾曼濾波器采用兩個主要階段:預測和更新。在預測階段,濾波器根據先前的狀態計算系統的下一個狀態,在運動算法的情況下,該狀態提供最后已知的速度和加速度值。由此,過濾器計算當前位置的預測。
在更新階段,將新采樣的電壓和電流值與其預測值進行比較。輸入數據越接近預測,錯誤概率越低。該誤差概率反饋到卡爾曼濾波器增益中。在算法級別,卡爾曼濾波器依賴于一些矩陣乘法和倒置。因此,在電機控制中實施擴展卡爾曼濾波器的關鍵在于高算術性能,這與場定向控制的其他方面一致。
為了在實時電機控制情況下實現每秒所需的許多算術運算,需要高性能的MCU或DSP。德州儀器(TI)生產的TMS320F2833x系列器件專為處理交流電機應用的典型計算負載而開發,并由各種片上外設提供支持,以幫助與電源轉換電子器件集成。
TMS320F2833x采用高性能32位CPU構建,支持浮點運算,符合單精度算術的IEEE754標準。通過實現符合IEEE標準的浮點單元,TMS320F2833x簡化了算法開發,因為它處理的數字范圍非常寬,并且內置了對非數字(NaN)和零除條件等錯誤的支持。與雙16&TImes;16乘法累加(MAC)單元相結合的哈佛架構為矩陣和基于投影的操作提供了高吞吐量。為了獲得更高的精度,單元可以連接在一起以執行32 x 32 MAC。片上外設包括一個16通道模數轉換器(ADC),用于對電機的電壓和電流反饋信號進行采樣。
作為C2000系列DSP增強型MCU的成員,TMS320F2833x得到了TI數字電機控制庫的支持,該庫提供了可重復使用的可配置軟件模塊,以實施各種控制策略。該庫由表示為塊的功能組成,除了用于閉環操作的控制塊外,還提供諸如Clarke和Park之類的變換,以及用于諸如脈寬調制(PWM)等功能的外圍驅動器。
在電機控制情況下,PWM輸出控制六個功率晶體管,它們共同為三個電相提供電壓和電流。每個階段使用半橋晶體管配置。在這些情況下用于控制的常用算法是空間矢量PWM。與簡單的PWM技術相比,這減少了諧波,并采用八個開關狀態。有六個活動狀態和兩個零狀態,每個狀態都是八個相應空間矢量的目標狀態。這些狀態以這樣的方式排列,即任何時候兩組互補狀態都是有效的。一組用于三個高端功率晶體管,另一組用于低端。該算法循環通過狀態以根據場定向控制模型的要求將功率切換到狀態。TMS320F2833x包含適用于采用空間矢量切換的軟件控制的PWM硬件。18個總PWM輸出中的6個支持高精度控制,分辨率為150 ps。其結果是一個數字控制器,需要相對較少的外部硬件來管理功率晶體管,如圖2所示。
F2833x PWM輸出控制電源相位的框圖
結論
利用具有必要核心和高性能構建模塊的微控制器以及TI數字電機控制庫,設計人員準備推出新一代高效交流電機。
轉載請說明來自西安泰富西瑪電機(西安西瑪電機集團股份有限公司)官方網站:http://www.925ag.com.cn/zixun/hangyedongtai169.html
目前使用的最簡單的控制技術是每赫茲伏特。這在概念上既簡單又容易在基本的微控制器上實現。核心算法充分利用了交流電機設計的核心特性。每個電機都有一個特性磁化電流和一個最終的磁通量和轉矩。這些屬性通過伏特每赫茲比率相關。電機通過布置在移動轉子周圍的定子線圈的轉換來轉動機械負載。線圈之間的切換迫使轉子的磁化元件同情地轉動到磁場保持平衡的穩定狀態。
線圈切換頻率的增加反過來會提高速度。但是,如果供應的電能沒有相應增加,則施加的轉矩會下降。伏特每赫茲的控制提供了一個簡單的方法來解決這個問題,通過增加線路電壓來提高頻率,使扭矩可以保持在一個恒定的水平。不幸的是,這種關系在低速下不是特別一致。需要更高的電壓以在低速下保持高轉矩,但效率下降并增加了線圈飽和和過熱的可能性。
磁場定向控制提供了一種優化電機控制的方法,特別是在低速情況下,并且還可以使電機的定位控制更精確。這增加了整個交流電機的應用范圍,這有助于降低工業機械的成本以及運營成本。
在磁場定向或磁通矢量控制中,速度和扭矩之間的關系由伏特每赫茲控制所打破。磁場定向控制的思想可以用直流電機的模型來表達,其中提供給定子和轉子的電流是獨立的。在這個模型中,扭矩和產生的流量可以獨立控制。由電流產生的電機組內部的場強決定了磁通量。提供給轉子中的電磁線圈的電流控制轉矩 - 當磁場試圖使自己進入穩定狀態時。
直流電動機在轉子上使用換向器,該換向器執行控制定子上的哪些線圈在任何時間都被激勵的工作。換向器的設計使得電流切換到機械對齊的繞組,從而在該點產生最大轉矩。結果,繞組的管理方式使得磁通量變化,以保持轉子繞組與定子中產生的磁場正交。
在交流電機中,只有定子電流受到直接控制。轉子通常使用永磁體來提供其領域。這意味著通量和扭矩依賴于相同的電流。但是,面向場的控制提供了幾乎獨立操縱它們的能力。實際上,定子磁通被動態地控制以提供獨立操縱轉矩的能力。通常,定子線圈可以被驅動,以便它們或者產生轉矩或者沿著定子軸施加力,這是一種不影響旋轉的模式。這些方向分別是正交軸和直接軸。為了運動,每個線圈依次被驅動以產生高正交力。
幾個數學變換被用來提供改變電流和電壓的能力來解耦扭矩和通量。在磁場定向控制下,流過定子不同部分的電流由矢量表示。矩陣投影將三相時間和速度相關系統轉換為兩個坐標時間不變系統。通常使用分別表示通量和轉矩分量的符號d和q來描述坐標。在(d,q)參考系中,施加的轉矩與轉矩分量呈線性關系。
在磁場定向控制下,從電機接收電信號并將其結合到(d,q)坐標模型中。該模型通常相對于轉子進行計算,使得計算所需流量更加容易。用于計算的典型方法是對Clarke和Park變換進行配對。
克拉克變換將來自不同相位的電流(通常為三個),并用它們來估計笛卡爾坐標系中的電流。這些系統的軸使用符號α和β而不是傳統的x和y來減少與空間坐標系混淆的可能性。然后將這些應用于Park變換以提供在旋轉(d,q)坐標系中看到的當前矢量。三角函數提供了轉換的核心,需要使用微控制器或數字信號處理器(DSP)。
通過Clarke和Park變換,(d,q)空間中的電流矢量的磁通量和轉矩分量是從饋送給每個電相位的電流和轉子磁通位置獲得的,其在大部分描述中采用符號theta算法。這種結構適用于一系列電機。逆帕克變換被用來產生電壓輸出,然后用于控制三相中的每一個的功率的算法中。整體結構如圖1所示。
用于磁場定向控制的變換和控制塊的基本配置的圖像
圖1:用于磁場定向控制的變換和控制塊的基本配置。
通過簡單地改變磁通基準和獲得轉子磁通位置,可以使用相同的磁芯結構來控制同步電機和感應電機。在同步永磁電機中,轉子磁通是固定的,因為它由永磁體確定。感應電動機需要創建轉子磁通才能起作用,所以這被作為非零值并入到磁通參考中。
磁場定向控制成功的關鍵是實時預測轉子磁通位置。這種控制策略是復雜的。在交流感應電機內部,轉子的轉速與驅動其旋轉的磁通量的速度不匹配。轉子傾向于滯后,導致差異被稱為滑動速度。在以前的方案中,電機制造商使用傳感器來分析轉子位置,但這會導致不必要的額外成本。在實踐中,可以使用電機內部產生的電壓和電流的反饋來補償滑差。
許多系統使用測量的反電動勢來估計轉子打滑。反電動勢電壓的大小與轉子的速度成正比。但是,直接使用此輸入會導致速度低或停頓時出現問題,并且估計初始位置并不容易。從未知的轉子位置開始,可能會導致電機意外地反轉一小段距離,或導致電機完全啟動失敗。簡單采樣反電動勢的另一個缺點是它對定子電阻的敏感性,定子電阻容易隨溫度而變化。
基于間接模型的方案提供更高的性能。計算開銷和性能之間存在很大的折衷,但總的來說,通過使用更復雜的基于模型的算法可以提高效率,特別是在低速下。基于間接模型的方案基于可用的傳感器讀數來估計這些方案的實時值。
與反電動勢估算一樣,核心問題是確定電動機的起點。一種解決方案是從初始狀態的估計開始,根據該初始狀態可以導出預測輸出的向量,將其與測量的輸出向量進行比較。這個差別用于修正模型的內部狀態向量。但是,噪音會破壞模型的穩定性。
擴展卡爾曼濾波器可以補償噪聲和突發干擾的影響。卡爾曼濾波器的體系結構使得被認為具有較低不確定性的更新被賦予比被估計具有較大不確定性的更高的權重。濾波器遞歸地工作,使得每個估計僅需要一組新的讀數和濾波器的先前狀態以產生新的狀態。
卡爾曼濾波器采用兩個主要階段:預測和更新。在預測階段,濾波器根據先前的狀態計算系統的下一個狀態,在運動算法的情況下,該狀態提供最后已知的速度和加速度值。由此,過濾器計算當前位置的預測。
在更新階段,將新采樣的電壓和電流值與其預測值進行比較。輸入數據越接近預測,錯誤概率越低。該誤差概率反饋到卡爾曼濾波器增益中。在算法級別,卡爾曼濾波器依賴于一些矩陣乘法和倒置。因此,在電機控制中實施擴展卡爾曼濾波器的關鍵在于高算術性能,這與場定向控制的其他方面一致。
為了在實時電機控制情況下實現每秒所需的許多算術運算,需要高性能的MCU或DSP。德州儀器(TI)生產的TMS320F2833x系列器件專為處理交流電機應用的典型計算負載而開發,并由各種片上外設提供支持,以幫助與電源轉換電子器件集成。
TMS320F2833x采用高性能32位CPU構建,支持浮點運算,符合單精度算術的IEEE754標準。通過實現符合IEEE標準的浮點單元,TMS320F2833x簡化了算法開發,因為它處理的數字范圍非常寬,并且內置了對非數字(NaN)和零除條件等錯誤的支持。與雙16&TImes;16乘法累加(MAC)單元相結合的哈佛架構為矩陣和基于投影的操作提供了高吞吐量。為了獲得更高的精度,單元可以連接在一起以執行32 x 32 MAC。片上外設包括一個16通道模數轉換器(ADC),用于對電機的電壓和電流反饋信號進行采樣。
作為C2000系列DSP增強型MCU的成員,TMS320F2833x得到了TI數字電機控制庫的支持,該庫提供了可重復使用的可配置軟件模塊,以實施各種控制策略。該庫由表示為塊的功能組成,除了用于閉環操作的控制塊外,還提供諸如Clarke和Park之類的變換,以及用于諸如脈寬調制(PWM)等功能的外圍驅動器。
在電機控制情況下,PWM輸出控制六個功率晶體管,它們共同為三個電相提供電壓和電流。每個階段使用半橋晶體管配置。在這些情況下用于控制的常用算法是空間矢量PWM。與簡單的PWM技術相比,這減少了諧波,并采用八個開關狀態。有六個活動狀態和兩個零狀態,每個狀態都是八個相應空間矢量的目標狀態。這些狀態以這樣的方式排列,即任何時候兩組互補狀態都是有效的。一組用于三個高端功率晶體管,另一組用于低端。該算法循環通過狀態以根據場定向控制模型的要求將功率切換到狀態。TMS320F2833x包含適用于采用空間矢量切換的軟件控制的PWM硬件。18個總PWM輸出中的6個支持高精度控制,分辨率為150 ps。其結果是一個數字控制器,需要相對較少的外部硬件來管理功率晶體管,如圖2所示。
F2833x PWM輸出控制電源相位的框圖
圖2:框圖,顯示了F2833x的PWM輸出對功率相位的控制。
結論
利用具有必要核心和高性能構建模塊的微控制器以及TI數字電機控制庫,設計人員準備推出新一代高效交流電機。
轉載請說明來自西安泰富西瑪電機(西安西瑪電機集團股份有限公司)官方網站:http://www.925ag.com.cn/zixun/hangyedongtai169.html
以上內容由西安泰富西瑪電機(西安西瑪電機集團股份有限公司)網絡編輯部收集整理發布,僅為傳播更多電機行業相關資訊及電機相關知識,僅供網友、用戶、及廣大經銷商參考之用,不代表西安泰富西瑪電機同意或默認以上內容的正確性和有效性。讀者根據本文內容所進行的任何商業行為,西安泰富西瑪電機不承擔任何連帶責任。如果以上內容不實或侵犯了您的知識產權,請及時與我們聯系,西安泰富西瑪電機網絡部將及時予以修正或刪除相關信息。
- 上一篇: 五年內EV電機的技術制高點在哪里?
- 下一篇: 綠色發展可以幫助電機廠家解決利潤問題
他們還瀏覽了...
- 2022-5-22綠色發展可以幫助電機廠家解決利潤問題
- 2022-5-14需要更換高效節能的電機的必要性分析!
- 2022-5-4舊的“以大代小”西瑪電機有很多限制
- 2022-3-27高壓電機的一些固有優勢注定會得到市場的認可和青睞!
- 2022-3-6為什么要用高壓電機來替代大功率電機?
- 2018-4-13五年內EV電機的技術制高點在哪里?
- 2018-4-9電機如何用物聯網為傳統應用加持?
- 2018-3-28特朗普擬對中國電機行業征收關稅。
- 2018-3-25論新能源汽車驅動電機繞組制造裝備技術研發與推廣。
- 2018-3-25國內外驅動電機有什么區別,熟優熟劣?
行業資訊
電機風罩的工作原理及其用途。
高壓電機軸磨損維修的詳細流程
三相異步電動機安裝步驟以及西瑪電機的故障檢查
西瑪電機接線中最常見的幾種錯誤
綠色發展可以幫助電機廠家解決利潤問題
高效節能電機過熱原因分析
需要更換高效節能的電機的必要性分析!
西安西瑪電機頻率和速度之間的數學關系
高壓電機軸磨損維修的詳細流程
三相異步電動機安裝步驟以及西瑪電機的故障檢查
西瑪電機接線中最常見的幾種錯誤
綠色發展可以幫助電機廠家解決利潤問題
高效節能電機過熱原因分析
需要更換高效節能的電機的必要性分析!
西安西瑪電機頻率和速度之間的數學關系
西安西瑪電機舉辦“迎國慶”員工趣味運動項目比
關于西安西瑪電機的工作制,大家了解一下。
西安西瑪電機工會慶祝3月8日的評選頒獎活動。
西安西瑪電機向在抗擊疫情前線的工作人員們致敬
西安西瑪電機職工安全生產知識宣傳教育工作全面
西安泰富西瑪電機亮相第27屆中國西部國際裝備
西安泰富西瑪電機將高效節能三相異步電動機作為
西安西瑪電機始終堅持誠信銷售的理念。
關于西安西瑪電機的工作制,大家了解一下。
西安西瑪電機工會慶祝3月8日的評選頒獎活動。
西安西瑪電機向在抗擊疫情前線的工作人員們致敬
西安西瑪電機職工安全生產知識宣傳教育工作全面
西安泰富西瑪電機亮相第27屆中國西部國際裝備
西安泰富西瑪電機將高效節能三相異步電動機作為
西安西瑪電機始終堅持誠信銷售的理念。
泰富西瑪電機
配套電柜
電機配件
YKK系列高壓三相異步電機西安泰富西瑪YKK系列(H355-1000)高壓三相異步電機可作驅動
Y2系列緊湊型高壓異步電機西安泰富西瑪?Y2系列(H355-560)6KV緊湊型高壓異步電機可
YE3系列高效節能電機西安泰富西瑪電機生產的YE3系列高效節能電機達到了國標二級能效標準,
Z4系列直流電機西安泰富西瑪Z4系列直流電動機比Z2、Z3系列具有更大的優越性,它不
Z2系列小型直流電機西安泰富西瑪Z2系列電機為一般工業用小型直流電機,其電動機適用于恒功
ZTP型鐵路機車動車用直流輔助西安泰富西瑪ZTP系列西瑪電機應能滿足鐵路機車動車用直流輔助電機通用



西安西瑪電機緊跟電機行業的發展趨勢,了解電機市場動態,制定出西瑪電機的發展規劃,穩步前行。
隨著國家節能減排的積極推行,新能源汽車產業快速增長及高效節能電機補貼政策的逐步落實,高效節能電機業將迎來爆發式的增長。
西瑪電機售后維修業務有:軸料加工件、鋼板切割、焊接件、高壓機殼、冷卻器、上下罩、高、低壓交直流電機;國內、外電機的修理、維護和試驗。
質量為本,用戶至上”是我公司一貫宗旨。“誠心、貼心、傾心、西瑪永遠用心”的“三心”服務理念。
西安泰富西瑪電機(西安西瑪電機集團股份有限公司)是國內九大的電機供應商之一,產品包括各種高低壓、交直流、高壓同步電機等。















